欢迎来到北京兴达奇热工控制设备有限公司官网!                                                                                                网上商城   |  中文  |  ENGLISH

您现在的位置:主页 > 产品中心 > 电磁阀 >

产品名称:电磁组合阀VMM

产品编号:

浏览次数:0

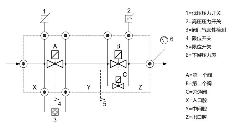
VMM系列燃气组合阀是由两个或两个以上电磁阀组成的紧凑型阀体,主要用于工业燃烧领域各种加热设备空燃气的开闭控制。


铸铝合金阀体,口径范围:DN20-50

阀体两侧可装配DN15-25口径的旁通阀

用于空气和非腐蚀性燃气,特殊版本请咨询

全系列产品可以提供防爆,根据94/9EC 指令(ATEX

通电打开,一旦断电,阀门立即关闭(本质安全)。

可用于周期行操作,也可连续工作。

流量调节功能

内置过滤网,保护阀门密封件和下游设备。

阀门入口和出口腔均配有丝堵,可用于连接压力表,压力开关,泄漏检测或其他燃气设备。



联系我们
公司注册地址:
北京市丰台区科学城星火路10号2幢三层312室(园区)
公司总部地址:北京大兴区亦庄经济开发区宏达南路11号
服务热线:010-63580920 010-63580029

京ICP备2022034442号 | 版权所有 © 北京兴达奇热工控制设备有限公司

扫一扫
进入官方微信
扫一扫
进入官方微博